臭氧檢測儀的質量保證和質量控制
1、質量保證和質量控制
1.臭氧檢測儀(圖)校準相關要求按照HJ 818 執行。
2.臭氧傳遞標準(附一)的量值傳遞和量值溯源按照HJ 818 執行。
3.顆粒物過濾器的濾膜支架每半年至少清潔一次;濾膜一般每兩周更換一次,顆粒物濃度較高的地區或時段,應視實際情況增加濾膜更換頻次。
4 .進樣管路應每月檢查氣密性,每半年清洗一次,必要時更換。

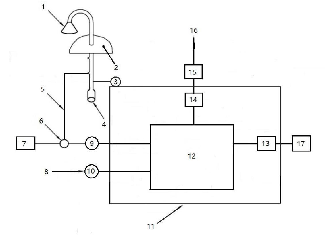
1——進氣口;2——房頂;3——風機;4——除濕裝置;5——進樣管路;6——三通閥;7——傳遞標準;8——一氧化氮進口;9——顆粒物過濾器;10——流量控制器;11——臭氧分析儀;12——反應室;13——信號輸出;14——流量控制器;15——泵;16——排空口;17——數據輸出。
2、 注意事項
1.當臭氧檢測儀(圖)與二氧化氮(氮氧化物)分析儀同時使用時,在臭氧分析儀(圖)排空口連接裝有氧化劑和活性炭的凈化罐,去除反應氣中過量的一氧化氮和生成的二氧化氮。凈化罐應定期更換。
2.更換采樣系統部件或濾膜后,應以正常流量采集至少 10 min 樣品空氣,進行飽和吸附處理,期間產生的測定數據不作為有效數據。該處理過程也可在實驗室內進行。
附一 臭氧傳遞標準
一般采用帶有臭氧發生器的分析型臭氧傳遞標準,也可以采用發生型臭氧傳遞標準。 測量范圍:0 nmol/mol~500 nmol/mol,很小顯示單位 1 nmol/mol,儀器性能指標應符合HJ 654 相關要求。 臭氧傳遞標準輸出的臭氧流量應至少比被校準臭氧分析儀的儀器設定流量大1 L/min。